振動產品分類中心zhendong product classification Center
其它設備
- 斗式鏈式提升機
- 磁選機
- 防閉塞裝置
- 制砂機械
- 制砂機
- 洗砂機
- 破碎篩分聯合設備
- 自動三通溜子(FC系列)
- 防閉塞裝置(ZFB型)
- 砂石洗選機(XL系列)
- 倉壁振動器(CZ系列)
- 振動放礦機(ZZF、DZF系列)
振動給料機
振動輸送機
振動篩
破碎機
其它設備
振動放礦機相關NEWS
- 吊掛式振動放礦機要求兩臺振動電機轉向必須相反
- ZZF振動放礦機安裝完畢運行1小時,檢查機體運行是否平穩,橫擺不大于0.5mm,振動電機螺栓緊固情況。XZG4振動放礦機、DZF電振放礦機、吊掛式振動放礦機要求兩臺振動電機轉向必須相反。
- 振動給礦機以振動電機為動力源
- 振動出礦機是一種以振動電機為激振源的顛振型慣性振動出礦設備,振動給礦機廣泛適用于冶金、化工、建材、煤炭等礦業。當棒條振動放礦機機體振動的加速度垂直大于重力加速度時,棒條振動給礦機機體中的物料連續向前跳躍,這樣就達到放礦和輸送礦石的目的。
- 振動篩分過濾機的日常保養
- 1、振動篩分過濾機啟動前的保養措施: (1)檢查粗網及細網有無破損
- 如何使用維護振動篩分過濾機
- 1、振動篩分過濾機電機應緊固在安裝面上,安裝面必須光滑、平整。 2、振動篩分過濾機電機可水平安裝。
- 篩分機械行業銷售方法探討
- 銷售的過程就像是覓食的過程。確切的說,就像是一只饑餓的狼在覓食,永遠咬住不放、死不松口。不管客戶讓我們吃了怎樣的閉門羹,我們都應該緊追不舍、尾隨其后。客戶拒絕是因為有疑惑、有顧慮、問題需要解決,從而影響了他的決策。
振強明星產品COMMEND
其它設備
振動放礦機(ZZF、DZF系列)
本振動放礦機系列由全國冶金系統設計院采礦業務建設網負責組織設計,由蘭州有色冶金設計研究院,北京有色冶金設計研究總院,秦皇島黑色冶金礦山設計研究院,涿州化學礦山規劃設計院,化工部化工礦山設計研究院,沈陽有色冶金設計研究,沈陽鋁鎂設計研究院,昆明有色冶金設計研究院,山東省冶金設計院等共同完成,并授權我廠獨家定點生產。
一、用途和特點:
(1)用途
本系列振動放礦機適用于環境溫度不超過+40℃、空氣相對濕度不大于90%的溜井、采場、溜槽和礦(料)倉。它是廠礦企業作礦巖、物料放出、給料或裝車之用的理想設備,各種礦車、汽車、火車、皮帶、索道礦斗、礦井提升裝載以及鄂式破碎機等均可選用本系列振動放礦機給礦。
(2)特點
本系列振動放礦機具有以下特點:
①體積小、重量輕,結構簡單緊湊,投資小;
②安裝方便、維修量小,運行費用低;
③因受振礦巖物料流動性增大,減少通道堵塞現象,故放礦能力大,效率高;
④受振礦流連續、均勻、易控,礦流大小可根據需要調整,運行安全可靠;
⑤在超共振狀態下工作,振幅穩定,可以頻繁起動(起動次數《200次/時),允許振動臺板上的負載有較大的波動,對各種礦巖特別是粘性礦巖物料適應性較強,并可在多塵或含水較多的環境下工作;
⑥本系列振動放礦機耗電少,節能顯著;
⑦凡礦巖物料松散體重不大于2400公斤/米3 、 塊度不大于1000毫米或1000毫米以下直至粉礦,均可選用本系列振動放礦機。
另外,本通用設計總結了國內多年來設計、生產、使用振動放礦機的經驗,考慮了各種使用條件,覆蓋面廣。

(3)機型符號意義

二、技術參數表: 附注:1、“~”線前后數字,適用于礦巖、物料密度分別為1700kg/m3、2400kg/m3時的對應參數。
2、本系列振動電機均為ZDJ型,電壓380V。
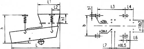
三、振動放礦機外形與安裝簡圖
吊二型機外型與安裝簡圖
(7、9、11、13、15、17、19、33、35、38、43#機)

|
外形尺寸 | 吊掛螺栓 | |||||||||||||||
| I | I1 | I2 | h | h1 | I3 | I4 | n×I5 | I6 | I7 | b | b1 | n×b2 | n2×k | n3×k1 | |||
| 7 | 2517 | 1660 | 592.2 | 1572 | 500 | 1338 | 563.5 | 7×178 | 280 | 178 | 1000 | 120 | 4×180 | 16×M20 | 26×M20 | ||
| 9 | 2629 | 1730 | 594 | 1621 | 500 | 1445 | 565 | 6×209 | 280 | 209 | 1200 | 120 | 5×184 | 16×M20 | 26×M20 | ||
| 11 | 2718 | 1788 | 664 | 1588 | 500 | 1450 | 634 | 7×192 | 280 | 192 | 1100 | 120 | 4×205 | 16×M20 | 26×M20 | ||
| 13 | 2771 | 1810 | 675 | 1688 | 500 | 1490 | 645 | 6×219 | 280 | 219 | 1200 | 120 | 5×184 | 16×M20 | 26×M20 | ||
| 15 | 3179 | 1896 | 667 | 1850 | 500 | 1555 | 637 | 7×204 | 300 | 204 | 1400 | 120 | 6×187 | 16×M20 | 30×M20 | ||
| 17 | 3183 | 2030 | 690 | 1985 | 500 | 1855 | 660 | 8×197 | 300 | 197 | 1300 | 120 | 5×204 | 16×M20 | 30×M20 | ||
| 19 | 3595 | 2350 | 835 | 2430 | 600 | 2100 | 805 | 8×229 | 300 | 220 | 1400 | 120 | 5×224 | 16×M20 | 30×M20 | ||
| 33 | 3250 | 1600 | 1000 | 2218 | 730 | 1500 | 965 | 6×205 | 300 | 150 | 1500 | 150 | 6×200 | 16×M30 | 28×M20 | ||
| 35 | 3240 | 1600 | 990 | 2298 | 730 | 1500 | 955 | 6×205 | 300 | 150 | 1500 | 150 | 6×200 | 16×M30 | 28×M20 | ||
| 38 | 3905 | 1750 | 1205 | 2567 | 730 | 1900 | 1170 | 6×240 | 300 | 120 | 1600 | 150 | 6×217 | 16×M30 | 28×M20 | ||
| 43 | 4300 | 1960 | 1200 | 2973 | 730 | 2100 | 1170 | 8×205 | 300 | 130 | 1200 | 150 | 10×145 | 16×M30 | 32×M20 | ||
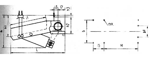
吊一型機外形與安裝簡圖(1、2、3、4、5#機)

|
外形尺寸 | 吊掛安裝 | 備注 | ||||||||
| I | I1 | h | h1 | h2 | h3 | I2 | b | ||||
| 1 | 1251 | 1200 | 1951 | 1330 | 1340 | 400 | 516 | 490 | 放礦漏斗自配,b-吊掛螺栓寬度方向中心距 | ||
| 2 | 1453 | 1400 | 2038 | 1330 | 1340 | 404 | 516 | 490 | |||
| 3 | 1867 | 1800 | 2275 | 1308 | 1368 | 500 | 870.5 | 700 | |||
| 4 | 1868 | 1800 | 2352 | 1303 | 1368 | 500 | 870 | 700 | |||
| 5 | 2278 | 2200 | 2669 | 1360 | 1407 | 600 | 999 | 800 | |||
吊三型機外形與安裝簡圖(21、23、25、29、31#機)

|
外形尺寸 | 吊掛螺栓 | |||||||||||||||||
| I | I1 | h | h1 | h2 | h3 | I2 | I3 | I4 | n×I5 | b | n1×b1 | b2 | b3 | n2×k | n3×b1 | 2×k2 | |||
| 21 | 3035 | 1550 | 2560 | 1960 | 800 | 600 | 1340 | 800 | 250 | 10×145 | 1124 | 6×200 | 892 | 250 | 8×M30 | 32×M20 | 2×M48 | ||
| 23 | 3308 | 1700 | 2625 | 2120 | 800 | 600 | 1686 | 900 | 250 | 8×200 | 1224 | 9×150 | 992 | 250 | 8×M30 | 34×M20 | 2×M48 | ||
| 25 | 3577 | 1700 | 2620 | 2230 | 800 | 600 | 1778 | 900 | 250 | 8×200 | 1324 | 10×145 | 1062 | 250 | 8×M30 | 36×M20 | 2×M48 | ||
| 29 | 4327 | 1800 | 2890 | 2630 | 800 | 600 | 2190 | 1000 | 250 | 10×170 | 1524 | 10×155 | 1262 | 250 | 8×M30 | 40×M20 | 2×M48 | ||
| 31 | 4567 | 1600 | 2700 | 2620 | 800 | 700 | 2226 | 900 | 250 | 10×150 | 924 | 9×145 | 912 | 250 | 8×M30 | 38×M20 | 2×M48 | ||
吊四型機外形與安裝簡圖(41#機)

|
外形尺寸 | 吊掛螺栓 | |||||||||||||
| I | I1 | I2 | I3 | h | h1 | h2 | h3 | I4 | I5 | b | b1 | n×k | |||
| 41 | 4762.5 | 4018 | 312.5 | 100 | 2621 | 2400 | 1375 | 300 | 2700 | 350 | 2315 | 1715 | 8×M48 | ||
座一型機外形與安裝簡圖(6、8、10、16、18、20、22、24、28、34、37、42、44#機)

|
最大外形尺寸 | 地腳螺栓位置 | ||||||||||
| I | b | h | h1 | I1 | I2 | I3 | b1 | b2 | n×k | |||
| 6 | 1780 | 1036 | 1820 | 989 | 823 | 513 | 170 | 8×M20 | ||||
| 8 | 1963 | 1220 | 1823 | 922 | 843 | 700 | 170 | 8×M20 | ||||
| 10 | 1936 | 1150 | 1887 | 985 | 859 | 630 | 170 | 8×M20 | ||||
| 16 | 2403 | 1054 | 2250 | 1000 | 1000 | 500 | 780 | 8×M24 | ||||
| 18 | 2663 | 1154 | 2390 | 1000 | 1100 | 1280 | 600 | 880 | 8×M24 | |||
| 20 | 2210 | 1020 | 2192 | 1110 | 1164 | 1880 | 580 | 4×M24 | ||||
| 22 | 2487 | 1120 | 2389 | 1100 | 880 | 640 | 4×M30 | |||||
| 24 | 2765 | 2765 | 2594 | 1147 | 970 | 740 | 4×M30 | |||||
| 28 | 3427 | 1420 | 2887 | 1110 | 1442 | 850 | 4×M36 | |||||
| 34 | 2740 | 1520 | 2314 | 969 | 800 | 745 | 940 | 170 | 12×M24 | |||
| 37 | 3424 | 1620 | 2434 | 827 | 1000 | 1000 | 1040 | 170 | 12×M24 | |||
| 42 | 3857 | 1800 | 2652 | 540 | 760 | 700 | 750 | 850 | 8×M30 | |||
| 44 | 3477 | 1900 | 2568 | 879 | 785 | 700 | 650 | 1410 | 8×M30 | |||







